| Questo sito o i servizi terzi da questo utilizzati si avvalgono di cookie necessari al funzionamento ed utili alle finalità illustrate nella privacy policy. Chiudendo questo banner o continuando la navigazione in altra maniera, acconsenti all'uso dei cookie. Leggi di più | Ok |
Nuovo prodotto
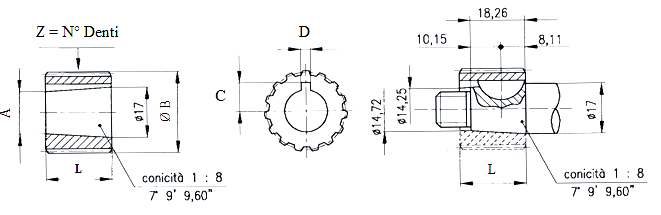
Alberi conici Gruppo 3 - Pompe 3TK

Attenzione: Ultimi articoli in magazzino!
Disponibile dal:

Alberi conici Gruppo 3
Alberi conici Gruppo 3 - Pompe 3TK

Destinatario :
* Campi richiesti
o Annulla
Alberi conici Gruppo 3 - Pompe 3TK


